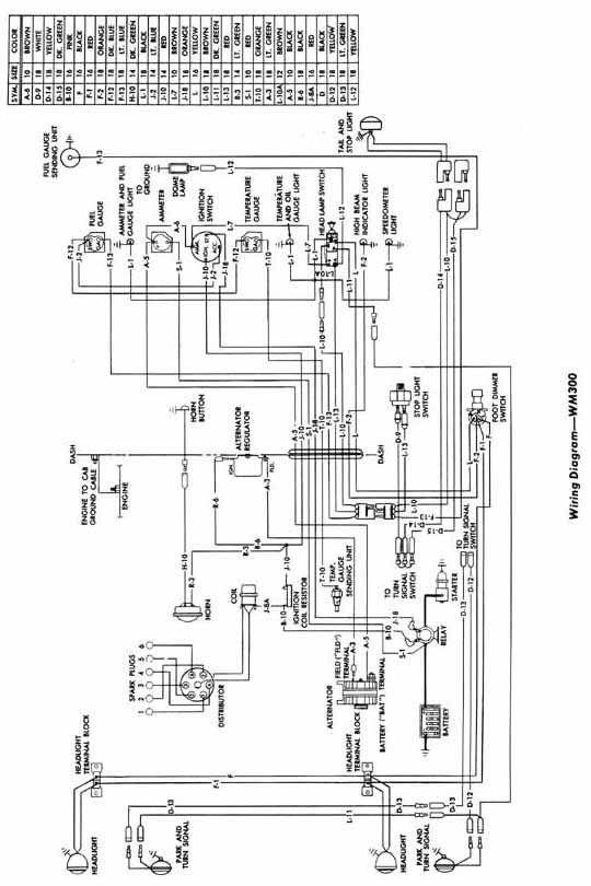
Schematic of Dodge WM300 Power Wagon Wiring

Return to of the Dodge Power Wagon Specifications page of the
Vintage Dodge Power Wagon and Zündapp KS601 site at http://home.wmol.com/mechaniq